



500X泄压阀结构特点和用途
500X泄压阀由主阀、泄压/持压导阀针阀、球阀、微形过滤器和压力表组成水力控制接管系统。利用水力自动操作,即可以作泄压阀用又可作持压阀用。作泄压阀用时,可维持供水路压力在设定的安全值之下;做持压阀用,可维持主阀上游水压在设定值之上,保持主阀上游供水压力。500X泄压阀利用水力自力控制,不需要其它装置和能源,保养简便,一阀多用。 500X泄压阀产品广泛用于高层建筑、生活区等供水管网系统及城市供水工程。
|
安全泄压阀型号:500X |
安全泄压阀 公称通径:50MM-1000MM |
安全泄压阀 使用压力:1.6MPA -6.4MPA |
|
安全泄压阀 连接方式:法兰连接 |
安全泄压阀 形式:自动 可调节 |
安全泄压阀 主要功能:泄压力 |
|
安全泄压阀 介质:水工业管道 |
安全泄压阀 材质:铸铁 球墨铸铁 铸钢 |
安全泄压阀 标准:机械部标准或定做非标 |
500X泄压阀工作原理
1、作泄压阀:当泄压导阀调整为泄压状态时,水通过针阀、主阀控制室、球阀A、泄压/持压导阀、球阀B流向出口,此时主阀处于开启状态。当进口压力超过泄压/持压导阀设定的安全值时,泄压导阀会自动开启,通过球阀C放出部分水,使管路泄压。当压力恢
复到安全值时,泄压阀自动关闭。作泄压阀时,各球阀常开。
2、作持压阀:当泄压导阀调整为持压状态时,只要主阀进口水压低于导阀设定值,导阀即关闭。主要控制室升压,主阀关闭。当主阀上游供水压力超过导阀设定压力时,持压导阀才能打开,控制室的水经球阀排至出口,控制室降压主阀开启,开始供水,即保持了上游水压。作持压阀用时,球阀C常闭或用丝堵换下。
500X泄压阀主要技术参数
|
公称压(Mpa) |
壳体试验压力(MPa) |
密封试验压力(MPa) |
适用介质 |
介质温度(℃) |
|
1.0 |
1.5 |
1.1 |
水 |
0-80 |
|
1.6 |
2.4 |
1.76 |
||
|
2.5 |
3.75 |
2.75 |
500X泄压阀主要零件材料
|
零件名称 |
零件材料 |
|
阀体阀盖 |
WCB |
|
阀座阀盘 |
铜合金 |
|
密封圈O型圈 |
丁腈橡胶 |
|
阀杆 |
2Cr13 |
|
弹簧 |
50CrVA |
|
针型阀 |
铜合金 |
|
球阀 |
铜合金 |
|
泄压/持压导阀 |
铜合金 |
|
微型过滤器 |
不锈钢 |
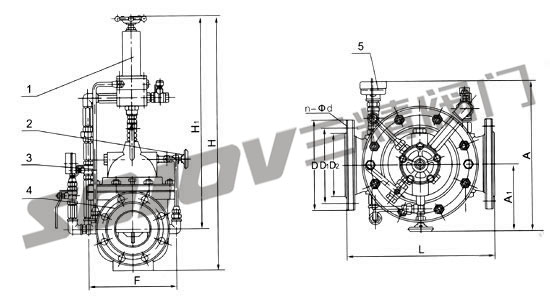
500X泄压阀连接尺寸(PN 1.0-2.5MPa)
|
公称通径DN |
L |
H |
H1 |
A |
B |
|
50 |
250 |
505 |
90 |
170 |
170 |
|
65 |
280 |
520 |
98 |
180 |
180 |
|
80 |
310 |
535 |
110 |
190 |
190 |
|
100 |
350 |
555 |
120 |
200 |
200 |
|
125 |
400 |
590 |
145 |
215 |
215 |
|
150 |
450 |
645 |
155 |
230 |
230 |
|
200 |
550 |
715 |
190 |
255 |
255 |
|
250 |
650 |
780 |
250 |
295 |
295 |
|
300 |
800 |
880 |
290 |
325 |
325 |
|
350 |
900 |
940 |
330 |
380 |
380 |
|
400 |
1000 |
1000 |
360 |
415 |
415 |
|
450 |
1000 |
1030 |
445 |
435 |
435 |
|
500 |
1100 |
1060 |
495 |
460 |
460 |
|
600 |
1100 |
1150 |
550 |
520 |
520 |
|
700 |
1450 |
1210 |
605 |
570 |
570 |
|
800 |
1560 |
1290 |
730 |
620 |
620 |
|
900 |
1800 |
1390 |
800 |
670 |
670 |
|
1000 |
2000 |
1500 |
910 |
830 |
830 |
三精阀门公司订货须知:
一 、① 安全泄压阀产品 名称与型号②安全泄压阀口径③安全泄压阀是否带附件以便我们的为您正确选型④安全泄压阀的使用压力⑤安全泄压阀的使用介质的温度。
二、若已经由设计单位选定三精公司的安全泄压阀型号,请按安全泄压阀型号直接向我司销售部订购。
三、当使用的场合非常重要或环境比较复杂时,请您尽量提供设计图纸和详细参数,由我们的三精阀门公司专家为您审核。
感谢您访问我们的网站【http://www.cnsjv.com三精阀门公司】如有任何疑问.您可以致电给我们,我们一定会尽心尽力为您提供优质的服务。
| 相关水利控制阀系列 | ||||
| 600X电控水力控制阀 | 500X安全泄压阀,持压阀 | 400X流量控制阀 | 200X减压阀,减压稳压阀 | 100X遥控浮球阀 |
| JD745X多功能水泵控制阀 | J145X电动遥控阀 | 100A角型定水位阀 | J744X液动快开排泥阀 | 膜片式液压快开排泥阀 |
| KPF碳钢法兰平衡阀 | Ax742X安全泄压阀 | SP45、SP15数字锁定平衡阀 | ||



