



400X流量控制阀概述
流量控制阀结构特点,流量控制阀用途,流量控制阀型号,流量控制阀图纸,流量控制阀使用条件如下:
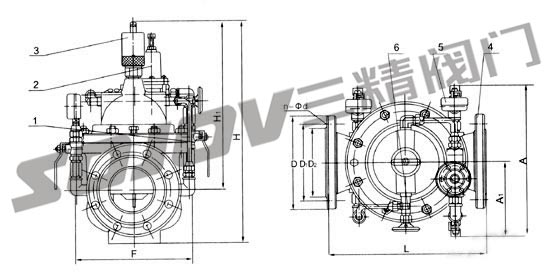
400X流量控制阀由主阀、流量调节阀、针阀、导阀、球阀、微形过滤器和压力表组成水力控制接管系统。利用水力自动操作,控制和调节主阀开度,使通过主阀的流量保持不变。 流量控制阀利用水力自力控制,不需要其它装置和能源,保养简便,流量控制稳定。流量控制阀产品广泛用于高层建筑、生活区等供水管网系统及城市供水工程
|
流量控制阀型号:400X |
流量控制阀公称通径:50MM-1000MM |
流量控制阀 使用压力:1.6MPA -6.4MPA |
|
流量控制阀 连接方式:法兰连接 |
流量控制阀 形式:自动弹簧式 |
流量控制阀 主要功能:控制流量 |
|
流量控制阀 介质:水工业管道 |
流量控制阀 材质:铸铁 球墨铸铁 铸钢 |
流量控制阀 标准:机械部标准或定做非标 |
流量控制阀工作原理
当阀门从进口端给水时,水流过针阀进入主阀控制室,并经过导阀、球阀流出主阀控制室到出口,此时主阀处于全开或浮动状态。调定主阀上部的流量调节阀,可为主阀设定一定开度。调节针阀开度和调节导阀弹簧压力,即可使主阀开度保持在设定开度,并在压力变化时导阀进行自动调节,保持流量不变。
流量控制阀主要技术参数
|
压力MPA |
壳体试验压力(MPa) |
密封试验压力(MPa) |
最高进口压力(MPa) |
出口可调压力(MPa) |
适用介质 |
介质温度(℃) |
|
1.0 |
1.5 |
1.1 |
1.0 |
0.09-0.8 |
水 |
0-80 |
|
1.6 |
2.4 |
1.76 |
1.6 |
0.10-1.2 |
||
|
2.5 |
3.75 |
2.75 |
2.5 |
0.15-1.6 |
流量控制阀主要零件材料
|
零件名称 |
零件材料 |
|
阀体阀盖 |
WCB |
|
阀座阀盘 |
铜合金 |
|
密封圈O型圈 |
丁腈橡胶 |
|
阀杆 |
2Cr13 |
|
弹簧 |
50CrVA |
|
针型阀 |
铜合金 |
|
球阀 |
铜合金 |
|
流量调节阀能 |
不锈钢 |
|
微型过滤器 |
不锈钢 |
流量控制阀连接尺寸(PN 1.0-2.5MPa)
|
公称通径DN |
L |
H |
H1 |
A |
B |
|
50 |
250 |
365 |
90 |
170 |
170 |
|
65 |
280 |
375 |
98 |
180 |
180 |
|
80 |
310 |
385 |
110 |
190 |
190 |
|
100 |
350 |
395 |
120 |
200 |
200 |
|
125 |
400 |
475 |
145 |
215 |
215 |
|
150 |
450 |
490 |
155 |
230 |
230 |
|
200 |
550 |
555 |
190 |
255 |
255 |
|
250 |
650 |
600 |
250 |
295 |
295 |
|
300 |
800 |
760 |
290 |
325 |
325 |
|
350 |
900 |
775 |
330 |
380 |
380 |
|
400 |
1000 |
810 |
360 |
415 |
415 |
|
450 |
1000 |
860 |
445 |
435 |
435 |
|
500 |
1100 |
915 |
495 |
460 |
460 |
|
600 |
1100 |
985 |
550 |
520 |
520 |
|
700 |
1450 |
1050 |
605 |
570 |
570 |
|
800 |
1560 |
1150 |
730 |
620 |
620 |
|
900 |
1800 |
1255 |
800 |
670 |
670 |
|
1000 |
2000 |
1380 |
910 |
830 |
830 |
三精阀门公司订货须知:
一 、① 电动控制阀 产品 名称与型号②电动控制阀口径③电动控制阀是否带附件以便我们的为您正确选型④管道阻火器 电动控制阀的使用压力⑤电动控制阀的使用介质的温度。二、若已经由设计单位选定三精公司的电动控制阀型号,请按电动控制阀型号直接向我司销售部订购。三、当使用的场合非常重要或环境比较复杂时,请您尽量提供设计图纸和详细参数,由我们的三精阀门公司专家为您审核。感谢您访问我们的网站【http://www.cnsjv.com三精阀门公司】如有任何疑问.您可以致电给我们,我们一定会尽心尽力为您提供优质的服务。
| 相关水利控制阀系列 | ||||
| 600X电控水力控制阀 | 500X安全泄压阀,持压阀 | 400X流量控制阀 | 200X减压阀,减压稳压阀 | 100X遥控浮球阀 |
| JD745X多功能水泵控制阀 | J145X电动遥控阀 | 100A角型定水位阀 | J744X液动快开排泥阀 | 膜片式液压快开排泥阀 |
| KPF碳钢法兰平衡阀 | Ax742X安全泄压阀 | SP45、SP15数字锁定平衡阀 | ||



